Лучшие подвесные унитазы с инсталляцией в комплекте (ТОП-8)
В рейтинге представлены популярные модели подвесных унитазов инсталляцией от надежных производителей, отобранные по отзывам покупателей.
Roca Mateo 893100010
Комплект включает в себя все необходимое для установки унитаза Roca Mateo. Рама из стали с защитным порошковым покрытием регулируется по высоте и выдерживает вес в 400 кг. Клавиша смыва поддерживает стандартный и экономичный режим для рационального использования. Унитаз сделан из долговечного и удобного в использовании фаянса, который на долгие годы обеспечит унитазу белизну. Сиденье с крышкой изготовлено из дюропласта – износостойкого материала.
ДОСТОИНСТВА:
- Стильный;
- Аккуратный;
- Низкий уровень шума при смывании и набирании воды;
НЕДОСТАТКИ:
Иногда могут лететь брызги при смывании.
Roca Mateo 893100010
Grohe 38772001 + Унитаз подвесной безободковый с сиденьем BelBagno UNO BB3105CHR/SC
Инсталляционные системы Grohe позволяют клиенту установить унитаз быстро и без применения особых усилий. Каркас рамы из стали выдерживает нагрузку до 400 кг. Унитаз устанавливается в гипсокартонную перегородку перед стеной и имеет бачок скрытого монтажа, что позволяет обеспечить максимальный уровень гигиены и удобство уборки в ванной комнате. Технология двойного смыва помогает снизить расходы воды на 50%, а шумоизоляция системы предоставляют оптимальный уровень защиты от шума.
ДОСТОИНСТВА:
- Стильный;
- Удобный;
- Система двойного смыва.
НЕДОСТАТКИ:
не обнаружены
Grohe 38772001 + Унитаз подвесной безободковый с сиденьем BelBagno UNO BB3105CHR/SC
VutrA Norm Fit L-box 9773B099-7207
VutrA Norm Fit L-box – подвесной унитаз, который идет в комплекте с сиденьем, с инсталляцией, и с клавишей смыва. Имеет экономичный режим смыва. Унитаз изготовляется из прочного санфарфора, сиденье из износостойкого дюропласта.
ДОСТОИНСТВА:
- простая конструкция;
- красивый внешний вид;
- легкая установка и монтаж
НЕДОСТАТКИ:
некачественный металл инсталляции.
VutrA Norm Fit L-box 9773B099-7207
Santek Бореаль 1WH302464
Подвесной унитаз с инсталляцией «Бореаль» помогает сделать территорию санузла эргономичным и стильным. Классический белый цвет, скрытый монтаж и панель для смыва позволят сделать красивый интерьер в ванной комнате, а сиденье с медленным опусканием сделает эксплуатацию унитаза еще более комфортным.
ДОСТОИНСТВА:
- удобный в установке;
- стильный;
- комфортный.
НЕДОСТАТКИ:
сильно шумит.
Santek Бореаль 1WH302464
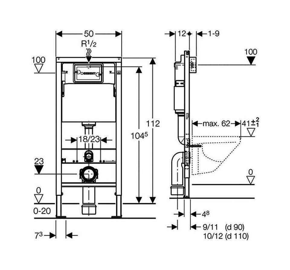
GEBERIT 458.124.21.1 B20-11
Данная система инсталляции позволяет разместить унитаз в любых точках пространства. Но наиболее популярен скрытый монтаж внутри стены. Такой вариант открывает множество вариантов планировки и дает создавать различные дизайны в интерьере ванной комнаты. Система с отличной шумоизоляцией, а также с двойной системой смыва. Инсталляция может выдерживать вес до 400 кг.
ДОСТОИНСТВА:
- прочный;
- изготовлен из качественных материалов;
- отличная шумоизоляция
НЕДОСТАТКИ:
не обнаружены
GEBERIT 458.124.21.1 B20-11
Damixa Skyline DX35C8600SC
Стильный дизайн подвесного унитаза отлично впишется в современный интерьер. Смывная арматура имеет самый низкий уровень шума. Сиденье сделано из дюропласта, который устойчив к появлению царапин и потертостей, крепления из нержавеющей стали, что значительно продлевает срок службы унитаза. Сиденье имеет механизм плавного опускания.
ДОСТОИНСТВА:
- стильный дизайн;
- качественный материал;
- имеет низкий уровень шума
НЕДОСТАТКИ:
не обнаружены
Damixa Skyline DX35C8600SC
Cerutti Spa AMI Aria
Cerutti Spa AMI Aria – белоснежный безободковый подвесной унитаз. Сиденье изготовлено из прочного и износостойкого дюропласта с системой плавного опускания. Имеет антибактериальное покрытие. Сам унитаз изготовлен из фаянса, покрытого стекловидным фарфором.
ДОСТОИНСТВА:
- стильно выглядит;
- отличное качество фаянса;
- удобный;
НЕДОСТАТКИ:
часто попадается брак
Cerutti Spa AMI Aria
BERGES WASSERHAUS 042418
VutrA Norm Fit L-box – подвесной унитаз, идущий в комплекте с сиденьем, с инсталляцией, и с клавишей смыва. Имеет экономичный режим смыва и двойную систему смыва. Унитаз изготовлен из прочного санфарфора, сиденье из износостойкого дюропласта с антибактериальным покрытием.
ДОСТОИНСТВА:
- прочный;
- экономичный расход воды;
- быстросъемное сидение;
НЕДОСТАТКИ:
не обнаружены
BERGES WASSERHAUS 042418
Таким образом, в статье были приведены популярные модели подвесных унитазов с инсталляцией в комплекте. Выбор всегда стоит за покупателем. Но также не стоит забывать про удобство в эксплуатации и качество изготовления.
Порядок установки унитаза
Как мы уже отметили выше, существует несколько разновидностей унитазов. Однако наиболее распространенными являются все-таки напольные. Поэтому мы расскажем вам о порядке монтажа только изделий данного типа. Причем сделаем это с помощью видеоролика. Потому что процесс установки представлен там очень наглядно.
Итак, теперь вы во всеоружии. Потому что вы располагаете необходимым набором информации для выбора унитаза. Более того, вы уже представляете, как производится его установка. Вы можете смело отправляться в магазин, чтобы выбрать и купить этот необходимый элемент, жизнь без которого в квартире просто невозможна.
Источник
Что нужно знать, чтобы правильно выбрать и установить унитаз Ideal Standard
Как правильно выбрать унитаз? Что нужно знать об устройстве этого агрегата? Как установить его у себя дома? На все эти вопросы мы ответим в сегодняшней статье.
Причем сделаем это не на голом месте. Чтобы предлагаемая информация была более понятной, отталкиваться мы будем от конкретной марки Ideal Standard. Потому что изделия этого бренда надежны, удобны и красивы
И в результате пользуются вполне заслуженным вниманием со стороны потребителей

Чтобы правильно выбрать унитаз, необходимо, прежде всего, знать особенности его устройства. То есть необходимо иметь понятие о том, какие разновидности этих изделий существуют.
Этапы монтажа подвесного унитаза
Подготовка к монтажу подвесного унитаза, для этого нам понадобится:
- инсталляция;
- гаечные ключи № 10,13 17−19;
- перфоратор или дрель;
- строительный уровень;
- отвёртка;
- карандаш;
- рулетка.
высокопрочных материалов. схематичную инструкцию
Для того, чтобы установить раму, в стене надо вырезать с помощью болгарки нишу 60 см шириной, 1 м высотой от пола и 15−20 см глубиной.
Чтобы рама стояла ровно по плоскостям, при её монтаже нужно использовать уровень. Канализационный отвод должен точно совпадать с местом подвеса унитаза. Для установления оптимального уклона канализационной трубы необходимо подобрать самый подходящий вариант канализационных тройников.
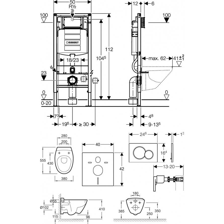
Установка инсталяции
После согласования места подвеса унитаза с канализационной трубой, инсталляция крепится к полу с помощью болтов.
Далее подбирается высота установки рамы. Надо учесть, что отверстие под слив воды должно находиться на высоте 25−30 см от уровня пола. В комплект к ней входят шпильки с пластиковыми наконечниками под отвёртку, а также кронштейны с пластиковой квадратной крышкой и прорезями для вставки пластины с защёлкой. Шпилька соединяется с кронштейном через резьбу. Всё так сконструировано, что легко подсоединяется друг с другом, как это показано на предлагающейся инструкции. В раме есть несколько отверстий, и кронштейны можно установить в различных местах рамы. Для крепежа рамы используются дюбеля-пробки на 10 мм. Пластиковые наконечники кронштейна очень удобны в использовании. Вместо кронштейнов можно применить анкерные винты или мощные саморезы. Главное, чтобы конструкция была надёжна прикреплена.
После закрепления рамы, можно прикинуть, где будет находиться унитаз. Он подвешивается без проблем. На горизонтальной верхней перемычке есть четыре отверстия на высоте 30−40 см над уровнем пола. Расстояние между средними шпильками, на которых будет крепиться унитаз, должно составлять 18 см, а между крайними шпильками 23 см. Они то и должны быть с обеих сторон зажаты болтами. Шпильки оснащены прорезью для завинчивания под отвёртку с плоским шпицем и защищены пластиковыми трубками.
Однако амортизирующей прокладки в комплекте не предусмотрено. Ей можно вырезать из тонкой резины, линолеума или подложки под ламинат. Прокладка исключит растрескивание от соприкосновения керамических элементов с металлическими
Зажимать гайки следует осторожно, чтобы не треснул фарфор. Также надо точно вымереть длину патрубка. Если сделать её слишком длинным, то унитаз не будет плотно примыкать к стене
Если патрубок короткий, то со временем появится протечка
Если сделать её слишком длинным, то унитаз не будет плотно примыкать к стене. Если патрубок короткий, то со временем появится протечка.
Монтаж системы отведения водоснабжения

Лучше использовать медную или полипропиленовую трубу. В случае протечки придётся бурить всю систему, а эти трубы в плане надёжности хорошо себя зарекомендовали. Труба соединяется с патрубком с помощью разъёмного соединения. Кран подачи воды к унитазу находится внутри бачка. Достаточно открыть его и убедиться в качестве соединения трубы с патрубком, воды из бачка сливать не надо.
Устанавливаем кнопку слива воды. Она продаётся отдельно и стоит довольно дорого. Лучше выбрать пневматику. Кнопочный блок будет находиться поверх кафельной плитки, поэтому в плитке надо вырезать соответствующее прямоугольное отверстие. Потом необходимо подсоединить к кнопочному блоку две трубки для малого и для большого слива, а далее кнопка защёлкивается в посадочное отверстие.
Стальная рама для установки подвесного унитаза стоит дорого. Да и сам процесс установки, если обратиться к профессионалу, не из дешёвых. Монтаж инсталляции обойдётся в 2000 рублей, установка подвесного унитаза ещё 1500−1800 рублей.










Немецкий комплект унитаз Ideal Standard Eurovit W740601 и инсталляция Ideal Standard будет стоить 11 800 рублей, а франко-швейцарский вариант унитаз Jacob Delafon Escale E1306 и инсталляция Geberit Duofix Платтенбау Sigma 111.362.00.5 обойдётся вообще в 35 600 рублей. Плюс к этому обшивка стены гипсокартоном, замена старых труб на новые. А ведь экономия пространства нужна больше всего не в огромных коттеджах, а в обычных многоквартирных домах, где живут люди со средними доходами. Так что стоит рассмотреть вариант, как установить подвесной унитаз без стальной рамы, при использовании подручных средств.
Система слива
Если вас интересует подвесной унитаз, за и против устройства, то внимание следует обратить и на систему слива. И бачок, и система слива, и даже все трубы должны быть полностью спрятаны в стене. Кнопка слива находится на стене, что очень удобно, да и выглядит неплохо
Кстати говоря, она не включается в комплект, поэтому ее придется купить отдельно. А дизайнерские модели стоят несколько сотен долларов, но можно купить и более дешевые варианты. Чаще всего встроенные унитазы оснащаются системой двойного слива. При нажатии одной кнопки спускается вся вода из бачка, а второй – только половина. Кроме того, разный объем воды подается и в зависимости от продолжительности нажимания кнопки: чем дольше удерживать кнопку, тем больше воды будет спущено
Кнопка слива находится на стене, что очень удобно, да и выглядит неплохо. Кстати говоря, она не включается в комплект, поэтому ее придется купить отдельно. А дизайнерские модели стоят несколько сотен долларов, но можно купить и более дешевые варианты. Чаще всего встроенные унитазы оснащаются системой двойного слива. При нажатии одной кнопки спускается вся вода из бачка, а второй – только половина. Кроме того, разный объем воды подается и в зависимости от продолжительности нажимания кнопки: чем дольше удерживать кнопку, тем больше воды будет спущено.

Инструкция по установке инсталляции
Арматура Geberit крепится к основанию унитаза с использованием отводной трубы, подсоединяемой к нему под углом 90 градусов. Это проверенная надежная конструкция. В набор входит заслонка, закрывающая стык и манжетка декоративная для трубы. Хотя внутренний механизм и находится в стене. Доступ к сливной конструкции возможен через панель смыва.
Несмотря на внешнюю изящность, конструкция способна выдерживать большой вес
Установка блочной инсталляции
Для установки потребуется инструмент:
- перфоратор;
- ключи нужных размеров;
- маркер.
Процесс установки состоит из нескольких шагов:
- Выбирают место. В стандартном санузле это ниша, где расположены стояки. Если они металлические, лучше заменить на пластик.
- Выполняют разметку.
- Измеряют высоту. Отмечают места для дюбелей, взяв размеры из инструкции.
- Проделывают отверстия перфоратором и забивают дюбели.
Процесс подключения к коммуникациям
Прикручивают бак для слива.
Проверяют, все ли прокладки на месте, подключают воду.
Вкручивают штифты в отверстия, проделанные ранее.
Фиксируют сливной шланг хомутами.
Установка рамной инсталляции
Технология установки унитаза с рамной инсталляцией следующая:
- Собирают каркас. В окончательном виде конструкция будет иметь высоту от 1,3-1,4 м. Ширина подбирается под конкретную модель.
- Крепят сливной бак, при этом кнопка для слива должна располагаться на высоте 1 м от пола, унитаз — 0,41-0,45 м, выход в канализацию — около 0,25 м.
Крепление сливного бака
Устанавливают конструкцию с обязательным соблюдением горизонтальности, для чего раму прикладывают к стене и отмечают, где разместится крепеж. Выполняют отверстия, крепят раму к полу.
Подводят водопроводную трубу к сливному баку.
Соединяют выпуск унитаза со стояком.
Проверяют герметичность соединений.
Зашивают раму гипсокартоном, предварительно закрыв все отверстия и закрутив штифты для фиксации унитаза в раму.
Создание гипсокартонного короба
Отделывают гипсокартон кафелем.
Устанавливают унитаз, выждав недели полторы, пока кафель схватится.
Герметизируют стыки и испытывают, спустив воду.
Совет: когда подключаете сливной бак, не используйте гибкий шланг. Он недолговечен, а для замены придется разрушать стену.
Рекомендации по ремонту инсталляций Идеал Стандарт
Ремонт, обслуживание инсталляции Идеал Стандарт выполняется через смотровое окно за клавишей смыва. Чтобы получить доступ и демонтировать арматуру нужно:
- отжать отверткой механизм фиксации, который находится слева у декоративной панели и снять её после щелчка;
- снять толкатели клавиши, повернув их одним движением на 450 против часовой стрелки и вытащив из монтажной рамки;
- открутить фиксирующие шпильки монтажной рамки, действуя по аналогичному принципу и снять рамку;
- перекрыть кран подачи воды в бачок, закрутив с помощью отвертки по часовой стрелке;
- демонтировать заливной клапан, открутив его от крана и отщелкнув «флажок» в верхней части;
- снять сливной клапан, легким движением отжав к себе крепление и повернув в сторону для простого вытаскивания.
Варианты инсталляций
Все инсталляции можно поделить на два вида. Это конструкции рамного типа и блочного. Для крепления блочной инсталляции необходимо наличие капитальной, несущей стены. В блочную инсталляцию входит бак из пластика и сливная арматура. Кроме этого, присутствует и комплект крепежа для унитаза.

Рамная инсталляция в качестве основы имеет раму из металла, на которой установлен крепёж для унитаза, а также канализационные отводы. По своей стоимости она дороже, чем блочная. Подвид прямой рамной инсталляции — угловой вариант. Его легко можно установить в угловой части помещения, тем самым сделав его более просторным.

В угловых вариантах инсталляций оптимально располагается сантехническое оборудование. Внутри одного блока размещаются два прибора. Угловые модели монтируются точно так же, как и стандартные варианты. Пример сборки можно увидеть на приведённой ниже схеме.

Geberit Duofix Up 320
Цена: 15 768 р.
Geberit Duofix Up 320 – доступная инсталляция от швейцарского производителя. Радует качество унитаза, в комплекте поставляется все необходимое + кнопка. С установкой справится любой, ведь есть подробная инструкция. По словам обладателей, инсталляция простая и надежная, разочаровывает только отсутствие крепежных элементов в комплекте.
Унитаз легко устанавливается, гарантия на него дается 10 лет. Инсталляция работает бесшумно, кнопки нажимаются плавно, а толщина металла достаточная для надежной фиксации. Клавиши спуска воды лучше покупать матовые, т. к. на глянцевых видны отпечатки пальцев и разводы.
Какая инсталляция самая качественная?
Многие форумчане признаются, что среди ведущих (качественных) инсталляционных систем: Grohe, Tece, Viega, Ideal Standard, Sanit (Германия), Geberit (Швейцария), Cersanit (Польша), Wisa (Нидерланды), Alcaplast (Чехия).
Правда, иногда они все же ломаются. Но причина вовсе не плохое качество. Много бед приносит неправильный монтаж: начинает барахлить кнопка, смыв и т.д.
Чтобы посмотреть «внутренности» бачка в инсталляции, достаточно снять кнопочную панель
С другой проблемой столкнулся пользователь Leo-Leo, у которой инсталляция для подвесного унитаза Grohe. На портале Onliner.by он пишет: «Через 1,5 года что-то перемкнуло в бачке: он постоянно пополнялся, а вода струйкой бежала в унитаз оттуда. Я пригласил мастера. Тот снял кнопку, достал через отверстие поплавок из бачка.Оказалось, на поплавковом механизме образовался налет толщиной 1-1,5 мм – потому что вода жесткая. Он его аккуратно соскоблил – все хорошо работает уже год!»
В общем, срок работы инсталляции зависит не столько от бренда, сколько от хорошей установки, качества воды и бережной эксплуатации.
Рейтинг производителей
На рынке сантехники лидируют производители, которые давно выпускают разнообразные модели сантехнических конструкций. Покупатели могут подобрать унитазы разного ценового сегмента с набором функций.
Geberit
Швейцарская группа компаний, которая занимается производством и поставкой сантехнического оборудования, начиная с XIX века. Специалисты концерна регулярно обновляют каталоги продукции, используя современные материалы и технологии.
Группой инженеров компании был придуман и произведен подвесной унитаз, оснащенный подвесным бачком. Марка «Геберит» производит сантехнику с 50-летней гарантией.
Roca
Торговая марка из Испании. Компания специализируется на производстве ванн, унитазов из керамики. По каталогам марки можно приобрести не только унитазы, но инсталляции и смесители. Популярностью пользуются модели классического типа, а также биде и подвесные конструкции из санфарфора.
Villeroy & Boch
Транснациональная немецкая компания, производитель керамики. История торговой марки началась в XIX веке, когда под контролем владельца гончарной мастерской были объединены семейные мини-предприятия. Результатом объединения стало создание нескольких фабрик, которые производили разнообразные детали для последующей сборки полноценных сантехнических конструкций. Современный подход к созданию моделей основан на работе технических специалистов и промышленных дизайнеров.
Jacob Delafon
Французский бренд, который производит конструкции на заказ. Сантехника из искусственного камня и мрамора относится к группе высшей ценовой категории. В каталоге продукции есть унитазы для оптовой торговли, а также детали для монтажа систем отопления.
Vitra
Турецкая торговая марка производит продукцию для частного использования, а также сотрудничает с различными предприятиями и устанавливает сантехническое оборудование «под ключ». Инженеры компании обновляют каталоги ежегодно. Моделям марки присущ современный дизайн и максимальная автоматизация функций. За качеством сборки инженеры следят с помощью уникальной системы считывания штрих-кодов, которая полностью компьютеризирована.
Cersanit
Польский производитель сантехнического оборудования и предметов из керамики. Компания производит различные модели унитазов, от простейших систем старого образца с традиционными системами смыва и крепежа до современных автоматизированных конструкций в комплекте с инсталляционными рамами. В каталоге компании можно подобрать строительные материалы, сантехнику и любое оборудование для туалета и ванной комнаты.
Laufen
Швейцарская корпорация с широким ассортиментом продукции. По эскизам дизайнеров можно заказать готовую ванную комнату или приобрести отдельные предметы интерьера. Основное преимущество производства – экономное расходование воды как ценного природного ресурса. Основой разработок, по утверждению руководителей бренда, является сочетание экономичности и качества.
Подвесные унитазы в интерьере
Установке чаши на угловую инсталляцию есть альтернатива. Фирма Vitra выпускает подвесную модель, адаптированную для размещения в углу, которая монтируется на пристенную раму.
Унитаз Vitra, коллекция Espace.
Классические формы по-прежнему востребованы, о чем свидетельствует популярность унитазов Roca Mateo.
Подвесная чаша Roca Mateo, санфаянс.
Прочно укоренились в интерьрах прямоугольные модели.
Подвесной унитаз без ободка Vitra T4.
Сферическая подвесная чаша соответствует канонам фэн-шуя, да и просто красиво смотрится.
Villeroy & Boch, коллекция Pure Stone.
Благодаря оригинальному дизайну некоторые унитазы становятся не просто сантехническими приборами, а полноправными предметами интерьера.
Унитаз и биде ArtCeram Blend.
Необходимость сооружения фальшстены отпадает с модулями Geberit Monolith. Самонесущая конструкция закрыта стеклянным фасадом, сверху и по бокам обшита алюминием, предлагается в пяти цветах. Смыв активируется сенсором. Имеется светодиодная подсветка с датчиком освещенности, система очистки воздуха с угольным фильтром и почти бесшумным вентилятором. Обе опции включаются автоматически при появлении человека вблизи унитаза.
Модуль Geberit Monolith с чашей.
Вопрос-ответ
Сколько весит инсталляция для унитаза?
Вес конструкции зависит от размеров рамы, толщины стали, которая использовалась при её изготовлении. На точные параметры влияет объём бака и особенности материала, из которого производится ёмкость. Средний вес от 12 до 16 кг, но масса может достигать 24-28 кг.
В чем заключается преимущество инсталляции для унитаза?
Два основных преимущества: скрытая конструкция и низкий уровень шума. Это делает комфортным эксплуатацию, регулярный уход за санузлом.
Можно ли устанавливать инсталляцию для унитаза на стяжку пола?
Лучше устанавливать раму с опорой на плиту перекрытия. Если такой возможности нет, то можно устанавливать на стяжку. После капитального ремонта бетон должен набрать полную прочность. Если делают плановый ремонт – то перед установкой простукивают стяжку: она не должна быть рыхлой, под ней не допускаются пустоты.


























